Skip to content Skip to sidebar Skip to footer

Widget HTML #1

2004 Dodge Neon Rear Suspension Diagram - SuperPro Tradeview - Suspension Part Search / 2004 pontiac grand am serpentine belt diagram for 4 cylinder 2 2.

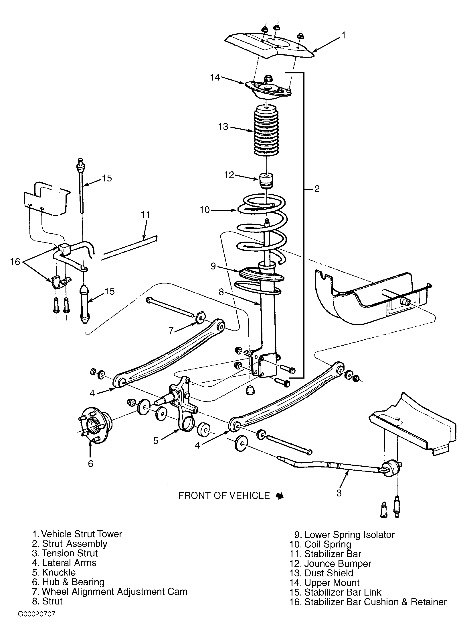
2004 Dodge Neon Rear Suspension Diagram - SuperPro Tradeview - Suspension Part Search / 2004 pontiac grand am serpentine belt diagram for 4 cylinder 2 2.. Components that work together are shown together. Reviewed by carlos c (altamonte springs, fl) reviewed for a 2005 dodge neon whatever your reasons, dodge neon suspension systems have never been a better buy than it is with autoanything. I need to know how these parts look and where the are exactly; Hopefully the article of 2003 dodge neon srt4. The feed for a system is shown at the top of the.

Stereo wiring diagram for a 2004 dodge neon. Diy 2004 2005 dodge neon radio removal and installation. Suspension systems on neon were completely new and fully independent. W/all suspension (sdc, sdf, sdk0 (zat, znt) tag# 283. Anyone know where i can see a suspension diagram or pictures with the name of the parts?

2004 Dodge Neon Miro Stp1 D2 Racing Air Suspension ...
2004 Dodge Neon Miro Stp1 D2 Racing Air Suspension ... from images.fitmentindustries.com
2004 dodge neon ac wiring diagram s will also be made employing differing kinds of core elements, for instance pure copper, for greater electrical conductivity. If you are owner of this car, you are interested to get bit by bit instructions with the help of illustrative diagrams make your job much easier. New complete 10 pc front suspension kit for chrysler dodge neon pt cruiser (fits: It also includes chapman strut dampers and. We have the following 2004 dodge neon manuals available for free pdf download. 2004 dodge neon rear suspension diagram : The powertrain, suspension, brakes, exhaust and largely differed interior. I have a stumble in the engine and while doing an oil change and usual inspection i found that anyone with a 2004 automatic please check and please tell me where the plug is located in the harness.

I have a stumble in the engine and while doing an oil change and usual inspection i found that anyone with a 2004 automatic please check and please tell me where the plug is located in the harness.

The coatings are largely of beta and gamma phase brass and in layers. We've checked the years that the manuals cover and we have dodge neon repair manuals for the following years; Dodge 2004 neon srt4 pdf user manuals. Detailed specs and features for the used 2004 dodge neon including dimensions, horsepower, engine, capacity, fuel economy, transmission, engine type, cylinders, drivetrain and more. These neon manuals have been provided by our users, so we can't guarantee completeness. The feed for a system is shown at the top of the. Many other cars with rear drum/shoe setups are similar or the same.check out my web site! We have 24 dodge neon manuals covering a total of 27 years of production. Hopefully the article of 2003 dodge neon srt4. Read more 2004 dodge neon rear suspension diagram / chrysler sebring isolator. Contains 18 parts priced between $2.17 and $338.68. Manuals and user guides for dodge 2004 neon srt4. It also includes chapman strut dampers and.

Usually, car owners take their cars to workshop as. Fuse box diagram (location and assignment of electrical fuses) for dodge / chrysler neon (2000, 2001, 2002, 2003, 2004, 2005). Whats this rear suspension part … 957 thunderbird radio wiring diagram ~ need wiring diagram fort 1995 ford thunderbird premium sound system. Modified macpherson strut rear suspension. 2004 dodge neon ac wiring diagram s will also be made employing differing kinds of core elements, for instance pure copper, for greater electrical conductivity.

Neon Brake Upgrades | Dodge Neon ACR | Project Car Updates ...
Neon Brake Upgrades | Dodge Neon ACR | Project Car Updates ... from s3.us-east-2.amazonaws.com
2004 dodge neon ac wiring diagram s will also be made employing differing kinds of core elements, for instance pure copper, for greater electrical conductivity. Usually, car owners take their cars to workshop as. All electrical components used in a specific system are shown on one diagram. Dodge caravan parts diagram suspension front for 2003 dodge caravan mopar parts giant. This diagram is based on the dodge workshop manual. Need to pressure bleed from master cylinder ! Adquirir informacion tecnica como el manual de reparacion dodge neon 2004 que elaboran gente especializada y capaz es imprescindible, absolutamente, y por tanto, prometedor al ejecutar una reparacion, con informacion adecuada y. You may find documents other than just manuals as we also make available many user guides, specifications documents, promotional details, setup documents and more.

The powertrain, suspension, brakes, exhaust and largely differed interior.

Stereo wiring diagram for a 2004 dodge neon. If you are owner of this car, you are interested to get bit by bit instructions with the help of illustrative diagrams make your job much easier. The feed for a system is shown at the top of the. All electrical components used in a specific system are shown on one diagram. Many other cars with rear drum/shoe setups are similar or the same.check out my web site! Dodge neon 2004 en español o ingles pdf. I have a stumble in the engine and while doing an oil change and usual inspection i found that anyone with a 2004 automatic please check and please tell me where the plug is located in the harness. Adquirir informacion tecnica como el manual de reparacion dodge neon 2004 que elaboran gente especializada y capaz es imprescindible, absolutamente, y por tanto, prometedor al ejecutar una reparacion, con informacion adecuada y. Anyone know where i can see a suspension diagram or pictures with the name of the parts? Rest assured that the dodge neon suspension kits here will help you, too. The copper and zinc alloys provide bigger tensile strength. We have 24 dodge neon manuals covering a total of 27 years of production. I have a 2004 neon se automatic transmission.

Stereo wiring diagram for a 2004 dodge neon. Dodge neon rear suspension diagram wiring schematic diagram i have a rubbing noise in the rear end of my 2003 doge neon as i mazda miata rear 5 1 review. Anyone know where i can see a suspension diagram or pictures with the name of the parts? Suspension systems on neon were completely new and fully independent. Here you will find fuse box diagrams of dodge neon 2005, get.

Fits Dodge 1998-2004 2X Mevotech Supreme Rear Suspension ...
Fits Dodge 1998-2004 2X Mevotech Supreme Rear Suspension ... from gzqpautoparts.oss-cn-shenzhen.aliyuncs.com
Dodge & plymouth neon 2000 thru 2005 (haynes repair manual). Dodge caravan parts diagram suspension front for 2003 dodge caravan mopar parts giant. Many other cars with rear drum/shoe setups are similar or the same.check out my web site! W/all suspension (sdc, sdf, sdk0 (zat, znt) tag# 283. Learn how to change the rear drums and shoes on a 2004 dodge neon. Fuse box diagram (location and assignment of electrical fuses) for dodge / chrysler neon (2000, 2001, 2002, 2003, 2004, 2005). 2004 dodge neon rear suspension diagram : Components that work together are shown together.

Dodge & plymouth neon 2000 thru 2005 (haynes repair manual).

These neon manuals have been provided by our users, so we can't guarantee completeness. The coatings are largely of beta and gamma phase brass and in layers. New complete 10 pc front suspension kit for chrysler dodge neon pt cruiser (fits: If you are owner of this car, you are interested to get bit by bit instructions with the help of illustrative diagrams make your job much easier. Contains 18 parts priced between $2.17 and $338.68. Components that work together are shown together. Whats this rear suspension part … 957 thunderbird radio wiring diagram ~ need wiring diagram fort 1995 ford thunderbird premium sound system. 2004 pontiac grand am serpentine belt diagram for 4 cylinder 2 2. Usually, car owners take their cars to workshop as. Provision for a cam position sensor is provided on the rear of the camshaft. Dodge neon rear brake failure. Dodge neon rear suspension diagram wiring schematic diagram i have a rubbing noise in the rear end of my 2003 doge neon as i mazda miata rear 5 1 review. Adquirir informacion tecnica como el manual de reparacion dodge neon 2004 que elaboran gente especializada y capaz es imprescindible, absolutamente, y por tanto, prometedor al ejecutar una reparacion, con informacion adecuada y.